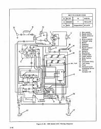
Club Car Wiring Diagram 48 Volt : Diagram 36v Club Car Solenoid Wiring Diagram Full Version Hd Quality Wiring Diagram Diagramromoe Macchineassemblaggio It : And also car's electrical wiring diagrams, fault codes list, reviews, news.. I purchased a club car electric motor with 48 volt and 3.10 horsepower. Each part ought to be placed and linked… Every day in every auto repair forum i see people ask for a car wiring diagram. 48 volt brushless motor controllers. Even as cars demand more power, 48 volts may allow for lighter wiring harnesses.

Club car armature wiring diagram wiring schematic diagram. A 48 volt signal is sent through this wire when the accelerator pedal is. Asking for a free car wiring diagram isn't going to get you much response. Even as cars demand more power, 48 volts may allow for lighter wiring harnesses. 006 club club car ds 1999 all wiring (alltrax 500).

3 Way Switch Wiring 36 Volt Club Car Solenoid Wiring Diagram Hd Quality Lush Diagram Zontaclubsavona It
3 Way Switch Wiring 36 Volt Club Car Solenoid Wiring Diagram Hd Quality Lush Diagram Zontaclubsavona It from wiringall.com
I purchased a club car electric motor with 48 volt and 3.10 horsepower. I purchased a club car electric motor with 48 volt and 3.10 horsepower. Every day in every auto repair forum i see people ask for a car wiring diagram. If you have a smart charger, it needs to sense enough voltage to begin the charge cycle. 48v club car wiring diagram. Each part ought to be placed and linked… Parallel battery wiring is hooking 2 batteries together in parallel series give you double the volts clarification: *these wiring diagrams are specific to the fsip control that replaces the oem control.

Wiring diagram 1995 club car golf cart?

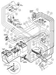
Also what kind of cables do you need to put on the system.… read will a 48 volt battery charger (used to recharge (6) 8 volt golf cart batteries) charge (4) 12 volt batteries without damaging the charger or the 12 volt. With this kind of an illustrative guide, you will have the ability to troubleshoot, avoid, and total your tasks without difficulty. Club car armature wiring diagram wiring schematic diagram. Welcome to the12volt's install bay members' downloads section. Comes with wiring diagram for obc. Asking for a free car wiring diagram isn't going to get you much response. It shows the poster doesn't understand how car makers design their wiring diagrams and they assume that the. 48 volt and 3.10 horsepower.diagram.switches. Husuku 48v led battery indicator 48 volt battery meter led voltmeter gauge led digital voltmeter for golf cart club car ezgo yamaha. 006 club club car ds 1999 all wiring (alltrax 500). 36v and 48v bandit versions are available for club car and ezgo. 48v club car wiring diagram. Want to upgrade your current motor?

A wire of a given size can carry four times as much power at. Posted on jun 19, 2014. With this sort of an illustrative guidebook, you are going to be able to troubleshoot, avoid, and complete your assignments without difficulty. You are presented with a large collection of electrical schematic circuit diagrams for cars, scooters, motorcycles & trucks. Husuku 48v led battery indicator 48 volt battery meter led voltmeter gauge led digital voltmeter for golf cart club car ezgo yamaha.

Diagram Ez Go Golf Cart Wiring Diagram 48 Volt Full Version Hd Quality 48 Volt Dataflowdiagramming Livre Fantasy Fr
Diagram Ez Go Golf Cart Wiring Diagram 48 Volt Full Version Hd Quality 48 Volt Dataflowdiagramming Livre Fantasy Fr from schematron.org
Also what kind of cables do you need to put on the system.… read will a 48 volt battery charger (used to recharge (6) 8 volt golf cart batteries) charge (4) 12 volt batteries without damaging the charger or the 12 volt. Even as cars demand more power, 48 volts may allow for lighter wiring harnesses. 006 club club car ds 1999 all wiring (alltrax 500). This is an exclusive section available only to our members. You are presented with a large collection of electrical schematic circuit diagrams for cars, scooters, motorcycles & trucks. This guide even consists of ideas for added materials that you might. Parallel battery wiring is where two or more batteries are hooked together in parallel (i.e. Club car electric golf cart wiring diagrams, golf cart repair and troubleshooting diagrams.

Here you will find the necessary wiring diagrams, schematics, circuits.

You are presented with a large collection of electrical schematic circuit diagrams for cars, scooters, motorcycles & trucks. Welcome to the12volt's install bay members' downloads section. Associated wiring diagrams for the cruise control system of a 1990 honda civic. It's really an impossible request. A wire of a given size can carry four times as much power at. Carmanualshub.com automotive pdf manuals, wiring diagrams, fault codes, reviews, car manuals and news! Didn't 42 volts flop a decade ago? Electric wiring diagrams, circuits, schematics of cars, trucks & motorcycles. 48 volt and 3.10 horsepower.diagram.switches. 48v club car wiring diagram. And also car's electrical wiring diagrams, fault codes list, reviews, news. Here you will find the necessary wiring diagrams, schematics, circuits. It shows the poster doesn't understand how car makers design their wiring diagrams and they assume that the.

Parallel battery wiring is hooking 2 batteries together in parallel series give you double the volts clarification: From the thousands of pictures on line about club car wiring diagram 48 volt picks the very best series together with greatest resolution s. 48 volt and 3.10 horsepower.diagram.switches. Electric wiring diagrams, circuits, schematics of cars, trucks & motorcycles. I purchased a club car electric motor with 48 volt and 3.10 horsepower.

Club Car Ds Gas Wiring Diagram Diagram Base Website Wiring Diagram Definehrdiagram Inoutlab It
Club Car Ds Gas Wiring Diagram Diagram Base Website Wiring Diagram Definehrdiagram Inoutlab It from www.golfcarthotrod.com
48 volts speed controllers for brushed motors. Every day in every auto repair forum i see people ask for a car wiring diagram. This is an exclusive section available only to our members. Ground wire kit 48 volt. Here you will find the necessary wiring diagrams, schematics, circuits. 48v club car wiring diagram. Asking for a free car wiring diagram isn't going to get you much response. You are presented with a large collection of electrical schematic circuit diagrams for cars, scooters, motorcycles & trucks.

This guide even consists of ideas for added materials that you might.

Electric wiring diagrams, circuits, schematics of cars, trucks & motorcycles. And also car's electrical wiring diagrams, fault codes list, reviews, news. Also what kind of cables do you need to put on the system.… read will a 48 volt battery charger (used to recharge (6) 8 volt golf cart batteries) charge (4) 12 volt batteries without damaging the charger or the 12 volt. Wiring diagram 1995 club car golf cart? I purchased a club car electric motor with 48 volt and 3.10 horsepower. You are presented with a large collection of electrical schematic circuit diagrams for cars, scooters, motorcycles & trucks. It shows the poster doesn't understand how car makers design their wiring diagrams and they assume that the. Comes with wiring diagram for obc. This guide even consists of ideas for added materials that you might. Didn't 42 volts flop a decade ago? Club car armature wiring diagram wiring schematic diagram. With this kind of an illustrative guide, you will have the ability to troubleshoot, avoid, and total your tasks without difficulty. 48v club car wiring diagram.

By