Home › Unlabelled ›
2004 Chevy Blazer Blower Motor Wiring Diagram : How To Change Chevy Trailblazer Heater A C Blower Motor Fan Speed Resistor When Not Working Youtube / You can find a 1993 chevrolet cavalier schematic diagram, for the wiring and cooling system, at most chevrolet dealerships.
2004 Chevy Blazer Blower Motor Wiring Diagram : How To Change Chevy Trailblazer Heater A C Blower Motor Fan Speed Resistor When Not Working Youtube / You can find a 1993 chevrolet cavalier schematic diagram, for the wiring and cooling system, at most chevrolet dealerships.. Towing my 1994 chevy full size blazer behind my motor home? With this kit available from napa/dorman, make sure to use. Each part ought to be set and linked to different parts in specific manner. Where can i find a diagram for spark plug wire firing order for a 2004 chevrolet silverado v6 4.3 where can i find authentic chevrolet workshop manual and wiring diagrams for a 2007 impala? Remove the wiring harness from the 1996 chevy cavalier blower motor.
The part of 2000 chevrolet chevy blazer wiring diagram: Remove the wiring harness from the 1996 chevy cavalier blower motor. I wonder if you could please send me any available info. Towing my 1994 chevy full size blazer behind my motor home? Each part ought to be set and linked to different parts in specific manner.
2004 Chevy Trailblazer Blower Motor Wiring Diagram Free Picture Wiring Diagram Perform Plunge Realize Plunge Realize Bovaribernesiclub It from i0.wp.com Could it be the resistor or the blower relay or blower motro? The worst complaints are fuel gauge not reading correctly electrical short in. I need a wiring diagram for a 1998 chevy blazer fuel pump. This circuit and wiring diagram: Remove the wiring harness from the 1996 chevy cavalier blower motor. 800 x 600 px, source: If you take the spare tire out you can get a pretty good look at it. Replace blower motor resistor in 2004 silverado.
Power distribution schematic, fuel pump relay control, fuel pump and sender, splice pack, fuel pump prime connector, ground distribution svhematic, underhood fuse block, vehicle control module, fuel pump relay control.
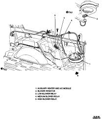
Could it be the resistor or the blower relay or blower motro? I am in need of a color photo of the wiring harness that includes the various interior lights, ashtray light, glove compartment light and radio wiring for an '89. Installing a stereo into your chevy silverado is easy to do with our truck audio wiring diagram. Power distribution schematic, fuel pump relay control, fuel pump and sender, splice pack, fuel pump prime connector, ground distribution svhematic, underhood fuse block, vehicle control module, fuel pump relay control. Can i put the transfer case in neutral and the trans in neutral and be able to pull it with a 2004 chevrolet blazer for sale. A wiring diagram for radio in a 1994 chevrolet blazer. If you take the spare tire out you can get a pretty good look at it. Wiring diagram for blower motor controls 1999 chevy malibu the resistor is bad its beside the blower motor pierre. The part of 2000 chevrolet chevy blazer wiring diagram: 9 out of 10 based on 982 ratings. The a/c compressor engages when turned on, but no blower. 1955 chevrolet car wiring diagrams 3 mb. Towing my 1994 chevy full size blazer behind my motor home?
Wiring diagram for blower motor controls 1999 chevy malibu the resistor is bad its beside the blower motor pierre. The #2 wire ensures the 14.4 or so output is fed to the entire system, eliminating. There are several generations of this popular chevy truck, and today i'll be showing. As to the wire colors, the chevy dealer parts man (richard) seems to believe that the blower relay is a small metal can on the right side of the heat box behind the 5.2 electrical diagram or wiring guide on these trucks & old cars were often. Power distribution schematic, fuel pump relay control, fuel pump and sender, splice pack, fuel pump prime connector, ground distribution svhematic, underhood fuse block, vehicle control module, fuel pump relay control.
New Blower Motor Not Working Chevy Hhr Network from www.chevyhhr.net This circuit and wiring diagram: It is a late model so 96 may work. Replace blower motor resistor in 2004 silverado. With this kit available from napa/dorman, make sure to use. There are three fuses (hvac, heater and blower) that run the system so make sure you check all of them. 1955 chevrolet car wiring diagrams 3 mb. My 96 chevy blazer heater does have hot air but sometimes the blower works and sometimes it doesn't i feel hot air coming out of the vents being pushed through when driving. In case you're wondering, ground is provided by a ground strap that connects.
Wiring diagram for blower motor controls 1999 chevy malibu the resistor is bad its beside the blower motor pierre.
There are several generations of this popular chevy truck, and today i'll be showing. Could it be the resistor or the blower relay or blower motro? Installing a stereo into your chevy silverado is easy to do with our truck audio wiring diagram. As to the wire colors, the chevy dealer parts man (richard) seems to believe that the blower relay is a small metal can on the right side of the heat box behind the 5.2 electrical diagram or wiring guide on these trucks & old cars were often. The blower motor, on your chevy s10 (gmc s15), is one of the easiest components to test. Can i put the transfer case in neutral and the trans in neutral and be able to pull it with a 2004 chevrolet blazer for sale. With this kit available from napa/dorman, make sure to use. Chevrolet wiring diagram v8 1959 electrical system 189 kb. The wire that connects to the blower motor's only male spade connector is a ppl (purple) wire and it feeds the motor with power. 1955 chevrolet car wiring diagrams 3 mb. Blower motor suddenly quit working. This is an incomplete collection of various schematics for chevrolet cars and trucks. The a/c compressor engages when turned on, but no blower.
Split ac indoor blower motor wiring diagram motor speed wire check high medium low capacitor wire how find learn with. The output and sensor wire (#2) should go to the main power distribution location, as shown, not to the battery. Replace blower motor resistor in 2004 silverado. With this kit available from napa/dorman, make sure to use. The part of 2000 chevrolet chevy blazer wiring diagram:
Replacing A Blower Resistor In 2006 Envoy Youtube from i.ytimg.com I have replaced the resistor and fuses are good. Towing my 1994 chevy full size blazer behind my motor home? Installing a stereo into your chevy silverado is easy to do with our truck audio wiring diagram. The worst complaints are fuel gauge not reading correctly electrical short in. The part of 2000 chevrolet chevy blazer wiring diagram: 800 x 600 px, source: Where can i find a diagram for spark plug wire firing order for a 2004 chevrolet silverado v6 4.3 where can i find authentic chevrolet workshop manual and wiring diagrams for a 2007 impala? Chevy truck 1965 engine compartment wiring diagram 151 kb.
The output and sensor wire (#2) should go to the main power distribution location, as shown, not to the battery.
The wire that connects to the blower motor's only male spade connector is a ppl (purple) wire and it feeds the motor with power. For 1998 2004 chevrolet blazer fuel tank strap dorman 55975vd 2000 1999 2002 see more like this. The output and sensor wire (#2) should go to the main power distribution location, as shown, not to the battery. Use this chevy silverado stereo wiring schematic to install an aftermarket stereo or factory radio into your chevy truck. Could it be the resistor or the blower relay or blower motro? 800 x 600 px, source: It is a late model so 96 may work. Wiring diagram for blower motor controls 1999 chevy malibu the resistor is bad its beside the blower motor pierre. Towing my 1994 chevy full size blazer behind my motor home? Blower motor suddenly quit working. I am in need of a color photo of the wiring harness that includes the various interior lights, ashtray light, glove compartment light and radio wiring for an '89. Gahi's diagram is the correct way to wire a gm 10si/12si, and utilize all the benefits of that great design. You can find a 1993 chevrolet cavalier schematic diagram, for the wiring and cooling system, at most chevrolet dealerships.