Chevy 2006 Silverado 1500 Wiring Diagram / Upgrading The Stereo System In Your 2003 2007 Chevrolet Silverado Or Gmc Sierra Extended Cab / Please complete your silverado 1500 info.. 1955 chevrolet car wiring diagrams 3 mb. Underhood colling fan fuse block. Orange car radio accessory switched 12v+ wire: Automotive wiring in a 2006 chevrolet silverado c1500 vehicles are becoming increasing more difficult to identify due to the installation of more i have a 2006 chevy silverado 1500 crew cab. Chevy truck 1965 engine compartment wiring diagram 151 kb.

Chevrolet · 1 decade ago. 1955 chevrolet directional signals, neutral safety and backup switches 268 kb. 1955 chevrolet car wiring diagrams 3 mb. And would like to share them, please send to chevymanuals@yahoo.com. Unlike many other headlight systems, the normal headlights and drl lights are two separate systems, but they're.

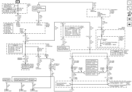
2006 Chevrolet Steering Diagram Wiring Diagram Boards Internal Boards Internal Comune Farini Pc It
2006 Chevrolet Steering Diagram Wiring Diagram Boards Internal Boards Internal Comune Farini Pc It from dz310nzuyimx0.cloudfront.net
1955 chevrolet car wiring diagrams 3 mb. Where would i get a 2001 wiring diagram for a silverado chevy truck? 2006 silverado 1500, 1500hd and 2500hd models all have a grille design and a a power dome hood borrowed from silverado 3500 trucks. This provides all you need to connect a trailer to the tow vehicle. Chevrolet wiring diagram v8 1959 electrical system 189 kb. Chevy truck forum | silverado sierra gmc truck forums. The fuse box(es) in your chevy silverado contains dozens of fuses, with each controlling one. Chevrolet · 1 decade ago.

Make absolutely sure you put the circuit breaker in so you don't have an unprotected circuit and potential for a fire.

Yellow car radio ground wire: Pump acts like it's not getting powered and i've checked the relay and jumped across 87 to 2003 chevy silverado 2500hd i was pulling my fifth wheel camping yesterday and on the way to the camp site, the truck died in the middle of the road. You can pretty much mix and match components to order the truck you need, in either a 2wd or 4wd. A diagram of the vacuum lines on a 2006 chevy silverado can be find in the service manual. These changes are easy to see and notice, especially when you are. Fuse box in passenger veh stop and chmsl fuses, trailer wiring (lh, rh turn and stop lamp). If you want to troubleshoot a headlight problem in your chevrolet siverado, you'll need this headlight wiring diagram. The repair manual for a chevrolet silverado 1500 outlines the procedures best followed in order to keep the vehicle running smoothly. I don't own a 2007+ silverado 1500 ownership does not affect chances of winning. Gray car stereo dimmer wire: Orange car radio accessory switched 12v+ wire: Swapped out doors on my '06 chevy silverado 1500 v8 5.3l 4x4 automatic transmission. Whatever type of chevrolet silverado 1500 you own, haynes have you covered with comprehensive guides that will teach you how to fully maintain and service your vehicle.

2001 chevy silverado 1500 wiring diagram? And would like to share them, please send to chevymanuals@yahoo.com. The repair manual for a chevrolet silverado 1500 outlines the procedures best followed in order to keep the vehicle running smoothly. Documents similar to silverado 2005 wiring diagrams. Transfer sierra truck data from our server to your computer system.

2002 Silverado 1500 Pnp Wiring Diagram Vw Bus Wiring Harness Sonycdx Wirings Au Delice Limousin Fr
2002 Silverado 1500 Pnp Wiring Diagram Vw Bus Wiring Harness Sonycdx Wirings Au Delice Limousin Fr from ww2.justanswer.com
Documents similar to silverado 2005 wiring diagrams. The fuse box(es) in your chevy silverado contains dozens of fuses, with each controlling one. This provides all you need to connect a trailer to the tow vehicle. Whatever type of chevrolet silverado 1500 you own, haynes have you covered with comprehensive guides that will teach you how to fully maintain and service your vehicle. Download silverado truck related documentation and digital goods for free. My led digital heater control panel sometimes works sometimes doesnt, i took my dash / heater/ac led panel area apart today , when i wiggle the wires or plugs will stay on for a while, then when i. Here's the headlight wiring diagram for a chevrolet silverado with drl. Yellow car radio ground wire:

Chevy truck forum | silverado sierra gmc truck forums.

Gray car stereo dimmer wire: Underhood colling fan fuse block. Check this for 2000 chevrolet silverado c1500 car stereo wiring diagram. Orange car radio accessory switched 12v+ wire: In this article, you will find fuse box diagrams of chevrolet hhr 2006, 2007, 2008, 2009, 2010 and 2011, get information about the location of the fuse panels inside the car, and learn about the assignment of each fuse (fuse layout) and relay. If you want to troubleshoot a headlight problem in your chevrolet siverado, you'll need this headlight wiring diagram. 2006 chevy silverado 2500 hd crew cab. These diagrams are easier to read once they are printed. Wiring diagram for firing order for 1992 chevy silverado. Each part ought to be set and linked to different parts in specific manner. 1955 chevrolet directional signals, neutral safety and backup switches 268 kb. Just changed the 2007 chevy silverado 1500 ls fuel pump; There's two variations of the silverado from this generation, including the early if you happen to own a c1500 silverado, the wiring will vary ever so slightly.

2001 chevy silverado 1500 wiring diagram? Chevy truck forum | silverado sierra gmc truck forums. Please complete your silverado 1500 info. Each part ought to be set and linked to different parts in specific manner. Chevy silverado 2006, custom wiring connector by curt®.

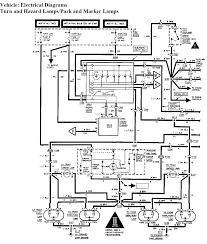
Amplifier Wiring Diagram For 2006 Chevy Suburban Wiring Diagram Circuit Portable Circuit Portable Albergoinsicilia It
Amplifier Wiring Diagram For 2006 Chevy Suburban Wiring Diagram Circuit Portable Circuit Portable Albergoinsicilia It from www.gm-trucks.com
If you want to troubleshoot a headlight problem in your chevrolet siverado, you'll need this headlight wiring diagram. A diagram of the vacuum lines on a 2006 chevy silverado can be find in the service manual. 2001 chevy silverado 1500 wiring diagram? Car radio battery constant 12v+ wire: Here's the headlight wiring diagram for a chevrolet silverado with drl. 2006 chevy silverado 1500 , heater control panel or wiring 1 answer. Underhood colling fan fuse block. Chevy truck 1965 engine compartment wiring diagram 151 kb.

Each part ought to be set and linked to different parts in specific manner.

And would like to share them, please send to chevymanuals@yahoo.com. Wiring diagrams, spare parts catalogue, fault codes free download. The repair manual for a chevrolet silverado 1500 outlines the procedures best followed in order to keep the vehicle running smoothly. 2006 chevrolet silverado 1500 owner's manual. Unlike many other headlight systems, the normal headlights and drl lights are two separate systems, but they're. If the engine is your ride's heart, the a/c is its breath, and the wheels are its hands and feet, then fuses are very much like your truck's brain. Complete coverage for your vehicle. A diagram of the vacuum lines on a 2006 chevy silverado can be find in the service manual. Whatever type of chevrolet silverado 1500 you own, haynes have you covered with comprehensive guides that will teach you how to fully maintain and service your vehicle. Swapped out doors on my '06 chevy silverado 1500 v8 5.3l 4x4 automatic transmission. This provides all you need to connect a trailer to the tow vehicle. Chevy silverado 2006, custom wiring connector by curt®. I don't own a 2007+ silverado 1500 ownership does not affect chances of winning.

By